Unter Pulser 3 ist eine Schaltung zu finden, die einen Bleiakku mit hohen Strömen belastet, um Sulfatierung zu verhindern oder abzubauen. Der Nachteil ist, dass Akkus Energie gespeichert haben müssen, damit eine Belastung stattfinden kann. Viele stark sulfatierte Akkus können anfangs nicht genug Energie abgeben. Es wäre doch schön, wenn man hohe Stromimpulse zum Laden verwenden und zugleich damit die Sulfatschicht alter Akkus abbauen könnte. Also hatte ich überlegt, das Prinzip des Boost-Konverters zum Laden zu verwenden, um sehr hohe Stomimpulse beim Laden zu erzeugen, die den Akku laden und gleichzeitig dessen Sulfatschichten abbauen sollen.
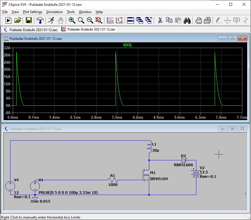
Die Idee: Das Magnetfeld einer Spule wird von einer externen Stromquelle aufgeladen, nach Abschalten der Quelle entlädt sich die Spule impulsartig über den Akku, entfernt dabei einen Krümel Sulfatschicht und lädt den Akku gleichzeitig auf. Hier die Simulation und die Schaltung:
Pulsdauer 100µs; Periodenzeit 3,33ms (300Hz); Impulsstrom 30Ap, entspricht durchschnittlich etwa 15A/Puls (Puls <= 0,3ms) <= 5mA Ladestrom pro Impuls. Bei 300 Impulsen/s ergibt das etwa 1,5 A Ladestrom durchschnittlich.

Kommt in der Realität in etwa hin:

Einzelimpuls:

Das Signal kommt von einem Signalgenerator, der die Endstufe speist:

Meine alten Bleiakkus haben ihre Werte durch diese Lademethode leider nicht verbessert, es scheint, dass Pulser 3 alle Sulfatschichten bereits abgebaut hat. Die Akkus sind entweder zu trocken oder die Bleiplattenkorrosion ist fortgeschritten. Die Schaltung ist relativ unabhängig von der Versorgungsspannung, darum müsste ich immer dabei bleiben wenn ein Akku geladen wird, um den Akku nicht zu überladen. Dazu habe ich keine Lust. Es bleibt bei Pulser 3.
Nachdem ich die Idee nicht weiter verfolge, habe ich mir überlegt, was ich mit dem Drahtmodell anfangen soll. Es hat aus meiner Sicht etwas Ästhetisches, darum habe ich es in einen IKEA-Bilderrahmen getan:

